
• SSC31 工作电压AC 230 V 3-位控制信号
• SSC81 工作电压AC 24 V 3-位控制信号
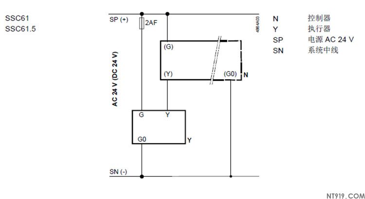
• SSC61 工作电压AC/DC 24V DC 0…10 V 控制信号
• SSC61.5 于SSC61 相同, 但增加失电复位功能
• 执行器驱动力 300 N
• 自动显示阀门行程位置
• 带联接螺母,直接和阀门安装无需工具
• 用螺丝拧紧接线端子接线
• 手动调节旋钮和位置指示功能
• 可并联多个执行器工作
• 可满足UL 标准
应用
用于西门子 VVP45..., VXP45... 和 VMP45...系列型号的阀门执行器,在暖通空调系统中对
热水和冷水进行调节。
通过联接件 ASK30,也可与下列阀门VVG45..., VXG45... and X3i... 结合使用。












